Psion MC400 Disassemble

Taking apart a Psion MC400 laptop (tear-down disassembly guide here):


STL files for 3D-printable latches to repair broken case securing tabs:


Specs at 1989 launch:
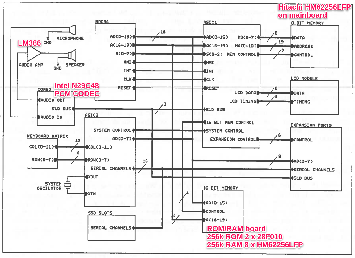
80C86 CPU 256k RAM 256k ROM
640×400 mono display – Retardation Film LCD, visible area 211 x 132 mm
4 x SSD drive bays (Psion proprietary RAM or FLASH SSD), clickable touchpad
12V external power, 7.2V Ni-Cd packs or 8 x AA,
40+ hours normal use per charge
60+ hours normal use on AAs
Instant On
Psion EPOC single user, pre-emptive multitasking OS

Approximate location of mainboard when in situ
Naked MC400 – minus case, battery, screen and touchpad.
Main board with ROM/RAM board attached
Main board: (ROM/RAM board removed) 80C86, 15.360MHz Xtal, ASIC1 (SB01), ASIC2 (SB02), display, keyboard & trackpad connectors (top), external power & audio in/out (left) “fast serial port” (right)
Main board underside
Main board Left
Main Board Centre/Right
Main Board Right
16 bit memory ROM/RAM board (2 x 28F010 missing from far left positions)
+ 8 x 32kx8bit Hitachi HM62256LFP SRAM = 256k ROM 256k RAM total
ROM/RAM board underside
Naked – Psion MC400 – minus case, battery, touchpad, screen & SSDs.

Psion MC400 disassembly guide


System Architecture
rear of LCD panel – PCB

640×400 mono LCD panel
Hitachi assembly – PCB labelled as LM819FXGW 97-44179-9
– driver chips are
OKI M5298 (“dot matrix LCD 68 dot common driver”) &
OKI M5299B (“dot matrix LCD 80 dot segment driver”)


bare plastics: keyboard, LCD & PCB removed. Metal hinge mechanism & build date sticker “07/12/93”

Serial/Parallel expansion module
Serial/Parallel module with TI ASIC5 (CF30179)
Seiral/Parallel Module with NEC ASIC5 (3509002902)
Serial/Parallel expansion module connected to main board via 25-pin expansion connector .

Psion MC NiCd battery pack tear-down

Dead NiCd pack (battery cells removed) – was in the machine as I received it. Previous owner had removed the leaking cells.
NiCd charging PCB from inside the battery pack casing
NiCd charging PCB from inside the battery pack casing


Psion SSDs – tear-down/disassembled

Psion SSD – “Widget Games 3A” – actually just a standard 128k Flash SSD

SSD front
SSD back
SSD front & back removed. Plastic frame and PCB
128k Flash SSD PCB – with NEC version ASIC4
1M ROM SSD – SPELLTHS – Series 3 Spellcheck/Thesaurus + TI ASIC5
128k ROM SSD – SH3 – Series 3 Spreadsheet + TI ASIC5

Psion MC expansion modules tear-down/disassembled

Psion Dacom “Quad Modem” expansion module
Psion Quad modem – Toshiba Z80 and 2 x Teridian “single chip modem” packages. TI CF30217 is ASIC8