I last gave up on my Psion/EPOC32 habit sometime in 2003/4 when I sold my Psion Revo (that I was using with an Ericsson T28s mobile phone and its iRDA link to get it online) and went over to a Sony Ericsson P800 all-in-one solution.
My recent Psion renaissance since 2020/2021 with the older “SIBO” machines is well documented here but I thought it was time I moved up from the 16-bit to the 32-bit Psion world… and lo, here is my first re-engagement (if you discount last year’s Psion5-USB-keyboard adventure) via the beautiful Ericsson MC218 which arrived courtesy of eBay. It has allegedly recently been serviced by PsionEx and came with a limited 6 months warranty ๐
So now I have a working machine – but how to get data on/off it…? My first attempts were via CF card. I dug out an old 512MB Sandisk (refurbished!) CF disk that I’d used back in the day with my Canon Digital Ixus camera with mixed results. These old EPOC R5 machines are notoriously finicky when dealing with CF cards and I struggled though several iterations of formatting the disk in the Psion and writing data to it via a UGREEN USB/CF adapter plugged into my Linux (Fedora 43) laptop. The MC218 randomly complains the card is corrupt, but powering off, taking the card out and re-inserting it seems to fix that.
I managed to find an old backup of my original Psion Series 5 dating from 1999 and had some nostalgic LOLs looking at the stuff I had stored on there…. like a catalogue of my entire CD collection and a list of handy sources of information & help on the Y2K problem amongst other gems!




I didn’t have the original Psion 5 serial lead but saw on eBay a cheap Psion travel modem and parallel printer adapter that I wanted to use as donors to provide the (almost unobtanium) Psion “Honda” connector used for the MC218 end of the cable.
I stripped down the travel modem and luckily the serial lead was connectorised on the PCB end, but unluckily the colours of the wires inside didn’t match any I could find from Psioneers who’d already tried this path…
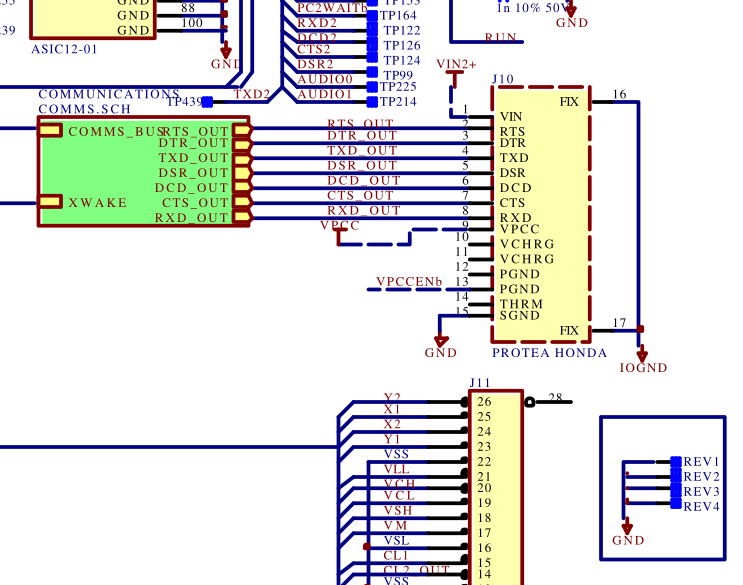
So with the help of a dead Psion 5 PCB I buzzed out the cable and came up with this:
Which agreed nicely with the table from the SIBO SDK and the serial port connector in the Series 5mx schematic:


I quickly soldered a spare Prolific PL2303 USB adapter I had left over from earlier Psion shenanigans and with the help of the excellent plptools running on a Raspberry Pi I had serial connectivity at the scorching speed of 115200 Baud ๐

Next step was a power lead – the Series 5 family all require an external 6V via a 3.5/1.3mm DC jack with centre positive – I got a couple of donor cables with some variable output modules and hacked up these beauties ๐


So what next…? Well… I also have an old Ericsson T39m GSM phone that has the Ericsson iRDA interface – I need to replace the LiPo battery and then the MC218 might have something to talk iRDA to… if only the remaining 2G networks in the UK still supported GPRS ๐










3 thoughts on “PDA-ing like it’s 1999 – back into EPOC32 with the Ericsson MC218”